Murat Kinaci        
       
Main Page        

murat@

targetsustainable.com

       
 
       
       

Humber College Sustainable Residence Conceptual Design

Humber College Sustainable Residence Conceptual Design

     
        Semester 6 / 2014 Semester 6 / 2014
        Murat Kinaci Murat Kinaci
        Shelby Kerbel Shelby Kerbel
 
           
Insulated Window Shades Revit Model City of Toronto Fire Station 231 Energy Audit Evolve Sustainable Design Competition 2014 CompostAfuel Business Plan Sustainable House Design Project Design Project
Low Energy Building Systems
Brochure Design Energy Audit Business Plan Design & AutoCAD Drawing Design Brief
Semester 5 / 2013 Semester 5 / 2013 Murat Kinaci Semester 4 / 2013 Semester 3 / 2012 Semester 3 / 2012
Murat Kinaci Murat Kinaci Shelby Kerbel Murat Kinaci Murat Kinaci Murat Kinaci
  Jesse Gadzinowski Benjamin Ratcliffe Jesse Gadzinowski Grade:95/100 Jesse Gadzinowski
  Shelby Kerbel Nicolas Brown Shelby Kerbel   Tyrone Malwatta
    Thane Vajda     Grade:95/100
    Zac Tomas      
 

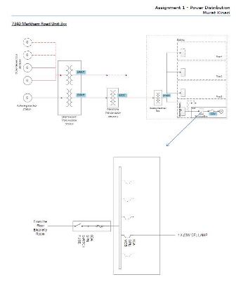
Power Distribution

saveONenergy/High
Performance New Construction

A Projection On Ontario's Long-Term Energy Plan

Blower Door Analysis

Renewable Energy Feasibility Report
KAHULUI, HAWAII

Wind Power/Energy/Revenue Calculator

Semester 3 / 2012 Semester 3 / 2012 Semester 3 / 2012 Semester 2 / 2012 Semester 2 / 2012 Semester 1 / 2011
Murat Kinaci Murat Kinaci Murat Kinaci Murat Kinaci Murat Kinaci Murat Kinaci
Grade:10/10 Shelby Kerbel Grade:10/10 Jesse Gadzinowski Jesse Gadzinowski Grade:100/100
  Grade:100/100     Michael French  
        Gajendra Bhatta  
        Grade:100/100  

 

 
targetsustainable © 2012
Designed by: